文章摘要:這里是源創電氣,那么下面我們就針對這些來講解一下,源創電氣西門子源創電氣真空斷路器的作用,以及用途到底是什么,這里是源創電氣為大家講解的基礎知識,大家可以看考一下的。 源創電氣西門子3AH3 源創電氣真空斷路器 技術參數: 品牌:源創電氣西門子
這里是源創電氣,那么下面我們就針對這些來講解一下,源創電氣西門子源創電氣真空斷路器的作用,以及用途到底是什么,這里是源創電氣為大家講解的基礎知識,大家可以看考一下的。
源創電氣西門子3AH3源創電氣真空斷路器技術參數:
品牌:源創電氣西門子源創電氣真空斷路器
型號:3AH3
極數:3
額定絕緣電壓:2000
功能:3AH3用于切合大容量負載免維護型斷路器。
3AH3— 免維護斷路器,用于高斷路能力,電壓范圍在 7.2 kv 和 36 kv 之間。它具有 10000次操作周期的使用壽命。
原理:該斷路器開斷容量大,并能夠進行切合操作10000次且免維護,是適用于發電機和工業場合的理想斷路器。3AH3標準型源創電氣真空斷路器可以用在短路電流高達72KA,額定電壓高達40.5KV的發電機和工業系統中;滿足IEC標準中的試驗規范。
斷路器的真空滅弧室采用一次封排技術制造,觸頭材料為Cr-Cu合金,經電弧冶煉而成。觸頭采用先進的設計形狀和結構,具有極高的耐電弧能力和很小的弧壓降。因此,在保證開斷額定短路電流的前提下,滅弧室的體積可以具有較小的尺寸。源創電氣西門子的這種新型真空滅弧室,還具有截流值小的特點。因此,斷路器在開斷變壓器等一類感性負載時,不會出現危害的操作過電壓,真空滅弧室與彈簧操動的優良機械特性配合,還使3AH源創電氣真空斷路器能夠多次成功地合、分電容器組,而不會出現重燃過電壓。斷路器的操動機構采用彈簧儲能,可以手動儲能,也可以電動儲能。在該機構中各個零部件都是經過精密加工,裝配而成。而且,關鍵部件和材料用特殊的工藝制造。這樣,確保了整個操動機構具有很小的摩擦力,各零件之間配合精確,動作可靠。
源創電氣真空斷路器作用:
(1)正常工作狀態時的分合閘操作(控制用);
(2)故障狀態時的保護操作(保護用);
斷路器-互感器-繼電保護;
負荷開關-熔斷器保護;
(3)設備的隔離;
3AH斷路器適用于:
快速負荷轉移、同步;
自動重新合閘電流達到 31.5 KA;
以恢復電壓非常高的上升初始速度斷開短路電流;
電機和發電機的開關;
變壓器和電抗器的開關;
高架線路和電纜的開關;
電容器的開關;
電弧爐的開關;
濾波電路的開關。

源創電氣真空斷路器滅弧室基本結構和原理
源創電氣真空斷路器的滅弧室每一只為不可拆卸的整體,動、靜能為分別焊在動、靜導電桿上。靜導電桿焊在法蘭盤上,動導電桿上焊一波紋管,在導向套內運行。波紋管及導向套焊在下法蘭盤上,由瓷柱支撐的金屬圓筒屏蔽在動靜觸頭外面,再與玻璃外殼形成密封的腔體,該腔體經過抽真空,真空度一般在10-6pa以上。當合、分閘操作時,動導電桿上下運動,波紋管被壓縮或拉伸,使真空滅弧室的真空度得到保持。
在真空中由于氣體分子的平均自由行程很大,氣體不容易產生游離,真空的絕緣強度比大氣的絕緣強度要高得多。當開關分閘時,觸頭間產生電弧,觸頭表面在高溫下揮發出金屬蒸汽,由于觸頭設計為特殊形狀,在電流通過產生磁場,電弧在此磁場力的作用下,沿觸頭表面切線方向快速運動,在金屬圓筒(即屏蔽罩)上凝結了部分金屬蒸汽,電弧在自然過零時就熄滅了,觸頭間的介質強度又迅速恢復起來。
在此討論一斷路器故障及下主要的真空其處理方法。
1真空泡真空度降低
1.1故障現象
源創電氣真空斷路器在真空泡內開斷電流并進行滅弧,而源創電氣真空斷路器本身沒有定性、定量監測真空度特性的裝置,所以真空度降低故障為隱性故障,其危險程度遠遠大于顯性故障。
1.2原因分析
真空度降低的主要原因有以下幾點:
(1)真空泡的材質或制作工藝存在問題,真空泡本身存在微小漏點;
(2)真空泡內波形管的材質或制作工藝存在問題,多次操作后出現漏點;
(3)源創電氣真空斷路器如使用電磁式操作機構的源創電氣真空斷路器,在操作時,由于操作連桿的距離比較大,直接影響開關的同期、彈跳、超行程等特性,使真空度降低的速度加快。
1.3故障危害
真空度降低將嚴重影響源創電氣真空斷路器開斷過電流的能力,并導致斷路器的使用壽命急劇下降,嚴重時會引起開關爆炸。
1.4處理方法
(1)在進行斷路器定期停電檢修時,須使用真空測試儀對真空泡進行真空度的定性測試,確保真空泡具有一定的真空度;
(2)當真空度降低時,必須更換真空泡,或更換源創電氣真空斷路器,并做好行程、同期、彈跳等特性試驗。
2源創電氣真空斷路器分閘失靈
2.1故障現象
根據故障原因的不同,存在如下故障現象:
(1)斷路器遠方遙控分閘分不下來;
(2)就地手動分閘分不下來;
(3)事故時繼電保護動作,但斷路器分不下來。
2.2原因分析
(1)分閘操作回路斷線;
(2)分閘線圈斷線;
(3)操作電源電壓降低;
(4)分閘線圈電阻增加,分閘力降低;
(5)分閘機構變形,分閘時存在卡澀現象,分閘力降低;
(6)分閘機構變形嚴重,分閘時卡死。
2.3故障危害
如果分閘失靈發生在事故時,將會導致事故越級,擴大事故范圍。
2.4處理方法
(1)檢查分閘回路是否斷線;
(2)檢查分閘線圈是否斷線;
(3)測量分閘線圈電阻值是否合格;
(4)檢查分閘機構是否變形;
(5)檢查操作電壓是否正常;
2.5預防措施
運行人員若發現分合閘指示燈不亮,應及時通知電氣檢修人員檢查分合閘回路是否斷線;檢修人員在停電檢修時應注意測量分閘線圈的電阻;必須進行低電壓分合閘試驗,以保證斷路器性能可靠。
3 彈簧操作機構合閘儲能回路故障
3.1故障現象
(1)合閘后無法實現分閘操作;
(2)儲能電機運轉不停止,甚至導致電機線圈過熱損壞。
3.2原因分析
(1)行程開關安裝位置偏下,致使合閘彈簧尚未儲能完畢,行程開關觸點已經轉換完畢,切斷了電機電源,彈簧所儲能量不夠分閘操作;
(2)行程開關安裝位置偏上,致使合閘彈簧儲能完畢后,行程開關觸點還沒有得到轉換,儲能電機仍處于工作狀態;
(3)行程開關損壞,儲能電機不能停止運轉。
3.3故障危害
在合閘儲能不到位的情況下,若線路發生事故,而斷路器拒分閘,將會導致事故越級,擴大事故范圍;如儲能電機損壞,則真空開關無法實現分合閘。
3.4處理方法
(1)調整行程開關位置,實現電機準確斷電;
(2)如行程開關損壞,應及時更換。
3.5預防措施
運行人員在倒閘操作時,應注意觀察合閘儲能指示燈,以判斷合閘儲能情況;檢修人員在檢修工作結束后,應就地進行2次分合閘操作,以確定斷路器處于良好狀態!
4分合閘不同期、彈跳數值大
4.1故障現象
此故障為隱性故障,必須通過特性測試儀的測量才能得出有關數據。
4.2原因分析
(1)斷路器本體機械性能較差,多次操作后,由于機械原因導致不同期、彈跳數值偏大;
(2)分體式斷路器由于操作桿距離較大,分閘力傳到觸頭時,各相之間存在偏差,導致不同期、彈跳數值偏大。
4.3故障危害
如果不同期或彈跳大,都會嚴重影響源創電氣真空斷路器開斷過電流的能力,影響斷路器的壽命,嚴重時能引起斷路器爆炸。由于此故障為隱性故障,所以危險程度更大。
4.4處理方法
(1)在保證行程、超行程的前提下,通過調整三相絕緣拉桿的長度使同期、彈跳測試數據在合格范圍內;
(2)如果通過調整無法實現,則必須更換數據不合格相的真空泡,并重新調整到數據合格。
4.5預防措施
由于分體式源創電氣真空斷路器存在諸多故障隱患,在更換斷路器時應使用一體式源創電氣真空斷路器;定期檢修工作時須使用特性測試儀進行有關特性測試,及時發現問題解決問題。
結束語
源創電氣真空斷路器已經得到廣泛的使用,而各廠家的源創電氣真空斷路器在機構上也不盡相同,而且,源創電氣真空斷路器的故障,如真空度降低、分合閘不同期、彈跳大等多為隱性故障,所以,進行檢修工作時需使用有關的科學儀器進行測試、測量,用實際數據來說明問題,也用實際數據來證明和解決問題,這樣才能使人信服并且切實把源創電氣真空斷路器維護好。
源創電氣真空斷路器滅弧室檢測的重要性
隨著近幾年我國配電系統“無油化”改造的順利實施,源創電氣真空斷路器的應用越來越廣泛。源創電氣真空斷路器的核心部分是滅弧室,是以真空條件作為其工作基礎的。因此,其真空度將直接影響到電力系統的運行安全性。
真空開關較之油開關而言,它具有開斷容量大,滅弧性能好,機械壽命長,運行維護量小,檢修量小,檢修周期長等特點,雖然真空開關缺陷率和故障率較低,但較突出的問題是真空泡的真空度檢測問題,它不象油開關,SF6開關那樣容易檢查其介質量。有些真空開關在運行過程中其真空滅弧室含有不同程度的泄露,有的在壽命范圍內就可能泄露到無法正常開斷的地步。系統中有報道稱,因真空泡真空度達不到要求,而引起開關爆炸,造成三相短路,釀成重大事故等。因此,對真空泡真空度的檢測必須引起高度重視。
源創電氣真空斷路器滅弧室基本測試方法
1、傳統方法:工頻耐壓法,即真空開關處于切斷狀態下,在動靜觸頭之間施加一定的電壓,檢測泄露電流的大小或觀察滅弧室內的放電現象,由此推斷真空度的好壞。這種方法的優點是方法簡單,其缺點是,只能定性檢測真空度的好壞,而且由于施加的電壓不高,真空度在10-5—10-3pa之間無法分辨,即耐壓法的實驗結果基本是一樣的,所以無法合理地判斷發展性泄露(即同一個真空開關和上次相比有多大程度的泄露)。這種方法只能粗略地判斷其真空度嚴重劣化的滅弧室,屬定質檢測。
2、近年研發成果:勵磁放電、電離電荷采樣原理,屬定性定量檢測。
對五防聯鎖功能的要求
五防聯鎖對防止誤操作,減少人為事故,提高運行可靠性起到很大的作用。五防功能,指的是可以防止五種類型的電氣誤操作,這五種防誤操作功能是:
a)防止誤分、誤合斷路器。
b)防止帶負荷合上或分斷隔離開關(或隔離插頭)。
c)防止帶電操合接地開關或掛接地線--此功能涉及系統人為短路接地或人身生命安全,故定為強制性聯鎖。它要求:①當斷路器或上下隔離開關處于合鬧時,接地開關絕不能被操合;②只有當接地開關合閘之后,柜體的后門和下前門才能被打開,才可能掛夾臨時性接地線。這通常采用機械聯鎖方式,使得a.隔離開關處于打開位置接地開關才能操臺;b.隨之前、后門才能開啟掛接臨時接地線。作為輔助措施,可在前、后門上加設高壓帶電顯示裝置作警示。
d)防止帶有臨時接地線或接地開關合鬧時送電--此項也是強制性的,目的是保證系統和人身的安全。
e)防止誤入帶電間隔--亦是強制性的,以保人身安全。
歸納起來,實施五防功能方面,有非強制性的(a項)和強制性的(b、c、d、e項);有主動性防御和被動性防御。被動防御指采用高壓帶電顯示裝置,只是提示性的,不夠可靠。主動防御大致可分三類:①采用機械聯鎖裝置,用機械零部件來傳動并產生約束,可靠性最高(除非零件損壞、斷裂);②采用翻牌(插頭)和機械程序銷,可靠性稍遜,因鎖與匙之間并非絕對-一對應;③采用電氣聯鎖,可靠性又差一些,因為電磁鎖和導線都有損壞的可能,而且也需電源供電(須與繼;芈冯娫捶珠_),但優點是可以長距離傳送。
母線接觸面處理
開關柜中有許多導電聯接面,有電器元件出線端對母排的聯接,也有母排對母排的聯接。有電流時導電聯接面會發熱,發熱量多少與電流密度有關,還與接觸面的物理狀態密切有關。
從微觀角度來看,即使經過精細加工的接觸面也是凸凹不平的,導電作用是通過若干個尖端碰觸而實現的,非尖端部分則留有空氣隙。潮濕空氣中的水分,以及大氣中的塵埃會滲入空氣隙中,在發熱和水分作用下接觸表面會氧化和污穢,接觸狀態變差,接觸電阻上升,發熱量也就隨之增加。所以電氣聯接面須有保護措施,最簡易的辦法是涂抹中性凡士林或導電膏,它們占據接頭間的間隙,不讓空氣。水分和塵埃進入,減輕氧化程度。較好的辦法是接觸面鍍錫。錫層質地軟,在螺栓壓力下產生延展,增加實際的電接觸面積,而且錫不易被氧化。另外,在錫層保護下,接頭的允許發熱溫度由90℃提高到105℃,頗有好處。
空產品真的基礎知識和基本術語
在性質上和外觀上是各種各樣的。在正常狀態下,氣體有良好的電氣絕緣性能。但當在氣體間隙的兩端加上足夠大的電場時,就可以引起電流通過氣體。這種現象稱為放電。放電現象與氣體的種類和壓力、電極的材料和幾何形狀、兩極間的距離以及加在間隙兩端的電壓等因素有關。例如在正常狀態下,給氣體間隙兩端的電極加壓到一定程度時,普通空氣中電子在電場作用下高速運動,與氣體分子碰撞后產生較多的電子和離子,新生的電子和離子又同中性原子碰撞,產生更多的電子和離子,這時,氣體開始發光,兩電極變為熾熱,電流迅速增大。這種性質上的轉變稱為氣體間隙的擊穿,其所需的電壓稱為擊穿電壓。這時,由于電場的支持,放電并不停止,故稱為自持放電。電弧則是氣體自持放電的一種形式。電弧具有電流密度大和陰極電位降低的特點。
2、真空和真空度
低于1個大氣壓的氣體狀態,都稱為真空。描述真空程度的量叫真空度,用該氣體的壓力大小來表示。
l大氣壓=760×133.332Pa=1.013×105Pa(帕斯卡)或0.1013MPa
真空技術中將廣闊的真空度范圍劃分為粗、低、高、超高、極高等區域。其中高真空區域的氣體壓力為10-1~10-6Pa,這一區域的后半段,即1.33×10-3~1.33×10-6就是真空滅弧室通常采用的真空度范圍。
在高真空區域中,單位體積內的氣體分子數目大大減少了,氣體分子之間碰撞的幾率大大減少,氣體分子之間的平均距離大大增加。
真空度的高低對滅孤能力有影響。實驗表明:滅孤室真空度在10-3Pa數量級時就能夠可靠地滅弧。真空滅弧定制造廠在產品出廠時,提高了滅孤室的真空度,達到10-5~10-6Pa,待經過20年的使用或貯存期,或多或少產生外部滲氣等現象使其真空度下降到10-3Pa范圍,仍能保證它的滅孤能力。
3、真空電弧
在真空環境中,氣體非常稀薄,殘存氣體的電離可忽略不記。一對帶電觸頭在這種高真空環境中的分離,便會產生真空電弧。真空電弧是這樣產生的:當觸頭行將分離前,觸頭上原先施加的接觸壓力開始減弱,動靜觸頭間的接觸電阻開始增大,由于負荷電流的作用,發熱量增加。在觸頭剛要分離瞬間,動靜觸頭之間僅靠幾個尖峰聯系著,此時負荷電流將密集收縮到這幾個尖峰橋上,接觸電阻急劇增大,同時電流密度又劇增,導致發熱溫度迅速提高,致令觸頭表面金屬產生蒸發,同時微小的觸頭距離下也會形成極高的電場強度,造成強烈的場致發射,間隙擊穿,繼而形成真空電弧。真空電弧一旦形成,就會出現電流密度在104A/cm2以上的陰極斑點,使陰極表面局部區域的金屬不斷熔化和蒸發,以維持真空電弧。在電弧熄滅后,電極之間與電極周圍的金屬蒸氣密度不斷下降直到零,仍然恢復高真空狀態。
3.1真空中電弧的形式:
真空中的電弧有兩種形式,擴散形電弧和收縮形電弧。
3.1.1擴散型真空電。
當真空電弧電流不大時,陰極斑點將不停地運動,通常是由電極中心向邊緣運動。當陰極斑點到達邊緣,等離子錐便彎曲,接著陰極斑點就突然熄滅,在電極中心又會繼續不斷地產生新的陰極斑點。如果電流保持不變,陰極表面存在的陰極斑點數基本上維持不變。當電弧電流增大或減小時,陰極斑點也隨之增加或減少。這種存在許多陰極斑點的真空電弧,隨著陰極斑點的運動不斷地向四周擴散,所以叫擴散型真空電弧。
3.1.2收縮型真空電弧
若用銅作電極,當電弧電流增加超過10000A時,電弧的外形將突然發生變化,陰極斑點不再向四周作擴散運動,而是相互吸引,結果所有的陰極斑點都聚集成一個斑點團,陰極斑點團的直徑可達1~2CM。此時陽極上出現了陽極斑點,陰極表面和陽極表面均有強烈的光柱,陰極光柱與陽極光柱自由地向電極的四周擴散成為數條連續的閃光,有時偶爾也與電極平行。真空電弧一旦聚集,陰極斑點與陽極斑點便不在移動或以很緩慢的速度運動,陽極和陰極表面被局部強烈加熱,導致嚴重熔化,這種真空電弧叫做收縮型真空電弧。
任何一種真空電弧對真空滅弧室的滅弧及其電氣壽命均有重大不良影響。
4、交流真空電弧
上面介紹的擴散型電弧、收縮型電弧等,都是在直流情況下討論的。但在交流電路中,上述的概念仍然適用。交流電流方向雖在交變,但每一個瞬時,或在很小一段時間內,電流仍是單向的,仍是直流,只不過其瞬時值不斷在改變罷了。當運用于交流時,請記住下列動態變化:
5、真空擊穿
真空擊穿是一個綜合的復雜的物理過程,主要因素有:真空度,電極材料,電極距離,壓力的影響,老練作用,開斷電流的大小,操作條件的影響等。
真空間隙的電擊穿有兩方面因素:一是場發射,一是微粒撞擊。對于小間隙場致發射作用較大,大間隙中微粒撞擊可能性較多。
1).場致發射--經過機械磨光和洗凈的電極兩面,微觀上仍然存在凹凸不平,存在許多微米級的尖峰突出物,尖峰處的局部電場可能增加上百倍,會發射電子流。如果電極表面有雜質或氧化物存在,電極表面的逸出功會降低,場致發射更易產生。尖峰發射的電子流雖不大,但因其面積小,電流密度卻很大,會使局部發熱,不僅電子發射增強,還可能產生蒸發、熔化,釋放出金屬蒸氣,金屬原子又與發射電子碰撞造成游離,出現擊穿。
2).微粒撞擊--電極表面總是存在一些金屬微粒,微粒在電場作用下攜帶電荷離開電極,加速撞擊對方電極,由動能轉為熱能,引起局部加熱、汽化,釋放大量金屬蒸氣,形成金屬云,導致間隙擊穿。
6、滅弧原理:
真空電弧是依靠電極不斷地產生金屬蒸汽來維持的,因此,要熄滅真空電弧的唯一方只有將電弧電流減小到一定程度,不足以維持電弧的時候才有可能將其熄滅。在交流情況下,真空電弧電流有一個過零的時刻,這就給出了熄弧的條件;在直流情況下,必須設置一個電力轉向裝置,使直流真空電弧有一個過零的機會,以創造一個同樣的熄弧條件。
6.1滅弧方法和電極觸頭的選擇
真空滅弧室切斷交流真空電弧成功與否,與觸頭之間弧區過零前的金屬蒸汽濃度密切有關,金屬蒸汽來自電極觸頭的熱斑點,熱斑點和金屬蒸汽都隨著電弧電流瞬時值的增減而變化。電弧電流過零點前一小段時間里,觸頭間金屬蒸汽降低的速度取決于斑點的冷卻時間常數。對于擴散型電弧,它只有陰極斑點而無陽極斑點,各支弧均布于觸頭表面上且處于移動狀態,所以熱斑點熔區的面積小,深度淺,熱慣性小,其冷卻時間常數僅有數微秒,有足夠的時間讓陰極斑點冷卻,使金屬蒸汽濃度足夠的低,同時金屬蒸汽因溫差、濃度差和壓力差的作用迅速向孤區外擴散,電弧不能維持而熄滅。對于收縮型電弧,則這些熄弧條件比擴散型電弧差劣許多。
在開斷10KA及以上的短路電流時,先后開發了橫向磁場觸頭和縱向磁場觸頭。
6.1.1橫向磁場滅弧原理
橫向磁場觸頭的工作原理是利用觸頭本身在開斷電流時產生的橫向磁場驅使真空電弧不斷在觸頭表面運動,以防止觸頭表面嚴重熔化。螺旋槽觸頭在分斷很大電流時,具有相當高的介質恢復速度。采用螺旋槽型觸頭就有橫向磁場滅弧的特性。
6.1.2縱向磁場熄弧原理
采用縱向磁場提高真空開關的分斷能力與采用橫向磁場的情況截然不同,縱向磁場的加入可以提高由擴散性電弧轉變到收縮型電弧的轉換電流值。實驗表明,在足夠的縱向磁場下,大電流真空電弧仍具有擴散性真空電弧的基本特征,電弧斑點在電極觸頭表面均勻分布,觸頭表面不會產生局部嚴重熔化,并具有電弧電壓低,電弧能量小的優良特征,這對于弧后強度恢復,提高分斷能力是十分有益的。目前,大容量的真空滅弧室多采用縱磁場觸頭,這是因為縱磁場觸頭具有電磨損小,使用壽命長和分斷能力大等優點。
帶斜槽的杯狀觸頭兼有橫向磁場和和縱向磁場的特性,可以較好地滅弧。同時為了保證杯狀觸頭具有抗熔焊能力,在觸頭端部焊有一定抗熔焊能力的銅鉻合金材料,也可裝置不熔融或截流水平低的電極觸頭。以達到更好的滅弧效果。
7、真空滅弧室的壽命
真空滅弧室是一種電真空器件,其壽命包括四個方面,如有一項達到壽命終結,則該滅弧室即報廢而需更換。
1)觸頭導電系統機械強度壽命。
2)波紋管疲勞壽命:波紋管的作用是維持內腔的真空度,在多次操作過程中材料疲勞破裂導致漏氣是波紋管失效的主要原因。
3)內腔的真空度壽命:真空度壽命是指滅弧室自制成之日起,經運輸、存放、安裝、使用等時間,其內腔真空度逐漸低到最低允許真空度的時間間隔。
4)電壽命:衡量觸頭材料的耐腐蝕能力,即額定短路電流開斷次數之能力,就稱為電壽命,以開斷次數表示。
8、真空滅弧室過電壓保護
真空間隙具有較高的介質恢復速度,有良好的媳弧能力等特點同時也可能帶來對電力系統絕緣造成危害的各種過電壓。為抑制過電壓的產生,避免造成危害,我們可以一方面從真空滅弧室使用材料選擇和技術設計著手,另一方面通過加裝限壓保護裝置來達到目的。具體辦法有:
1)研究和制造低截流水平的觸頭材料。
2)研制低重燃率的真空開關管,如提高內腔潔凈度,適當地進行電壓老練和電流老練。
3)斷路器合閘盡量做到無彈跳。如有彈跳,時間不應長于2ms。
4)在感性負載端上并聯電容器,這樣可以降低波阻抗從而降低截流過電壓,不僅降低過電壓峰值,還能減緩過電壓的前沿陡度。
5)負載端上并聯RC吸收回路,其中C的作用如上述的并聯電容,R則用于高頻振蕩中的能量消耗。
安裝無間隙氧化鋅避雷器,用以限制過電壓的幅值。
源創電氣真空斷路器的維護
對源創電氣真空斷路器應該每年進行一次停電檢查維護,以保證正常運行。檢查應做好如下方面的工作:
a)對管子進行斷口工頻耐壓試驗,測試真空度并記錄在冊。
b)對絕緣件進行工頻耐壓試驗。
c)測試斷路器的開距、接觸行程和機械特性,并記錄在冊。
d)對各連接件的可調整處的連接螺栓、螺母等應檢查是否有松動,特別是輔助開關拐臂處的連接小螺釘,真空管動導電桿連接的鎖緊螺母等。
e)對各轉動關節處應檢查各種卡簧,銷子等是否松脫;并對各轉動、滑動部分加潤滑油膏。
f)對使用在電流大于1 600 A以上的源創電氣真空斷路器,應對每極作直流電阻測試并記錄在冊。
g)如需更換管子應按產品說明書的要求進行,更換后應進行機械特性的測試和耐壓試驗。
h)年檢后和投運前應連續空載操作8~10次,一切正常方可投運。
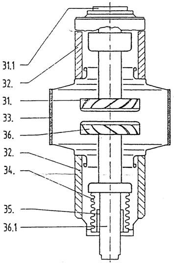
,真空滅弧室(30.)被固定在上支架(20.).電弧室(33.)安裝在兩個陶瓷絕緣子(32.)之間.靜觸片(31.)被直接連接在柜上.動觸片(36.)被安裝固定在導軌(35.)中的接線端子螺栓(36.1)上.金屬波紋管形成到滅弧室的真空密封連接.
基本型號的源創電氣真空斷路器包括:
帶有機械和電氣反轉的電氣操作機械(儲能電動機)
(M1)
合閘線圈
(Y9)
脫扣分路
(Y1)
64頭帶金屬孔眼套筒的低壓插塞式連接器
(X0)
輔助開關,6常開+6常閉
(S1)
"合閘線圈儲能"信號的位置開關
(S41,S42)
斷路器分閘信號,信號復位開關
(S6,S7)
操作次數計數器
防止誤合閘的閉鎖
每個3AH3源創電氣真空斷路器也可以裝有下面一些設備:
接線板
(X0)
擴展的輔助開關,12常開+12常閉
(S1)
脫扣分路3AX1101
(Y2)
電流互感器操作脫扣3AX1102
(Y4,Y5)
電流互感器操作脫扣3AX1104(0.1WS)
(Y6)
低電壓脫扣3AX1103
(Y7)
手動電氣合閘
機械閉鎖
除標準的脫扣分路外,3AH3源創電氣真空斷路器也可以最多安裝兩個3AX11型脫扣分路.
安裝
在配電柜或手車上安裝
3AH3源創電氣真空斷路器是敞開的,可以看到"合閘彈簧脫扣"指示.在安裝3AH3源創電氣真空斷路器之前,先移走運輸設備(制動器和定位器).根據提供的圖紙,面向松開的相間隔板安裝.
在將3AH3源創電氣真空斷路器安裝進柜中或手車上之前,檢查它的額定銘牌數據(避免混亂),比較指明的額定電壓與可供的電源電壓.
在帶有低電壓脫扣(Y7)3AX1103的源創電氣真空斷路器上,榔頭的制動螺釘必須由位置A移到位置B(見源創電氣真空斷路器機械柜[60.]中的注意卡).
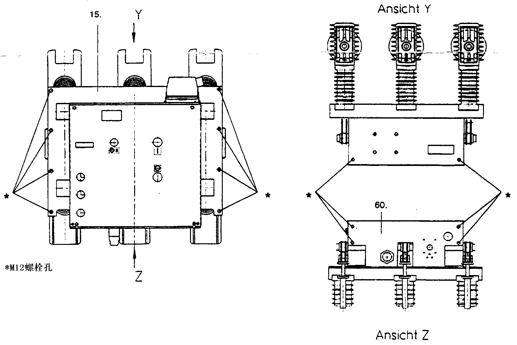
在柱狀板(15.)和機械柜(60.)上共有14個安裝孔適應各種各樣的型號斷路器的安裝(圖3/1).對于額定短路開斷電流≥50KA的源創電氣真空斷路器的安裝,我們推薦僅使用柱狀板.
使用M12的固定螺栓-強度8級-嚴格參照尺寸圖指示安裝.
支架或框架必須滿足操作條件,有足夠的承載能力和穩定性.
扁鋼接頭
優先裝配導體,固定它們以確保連接部分平滑接觸和孔完全對準.
使用鋼絲刷摩擦被螺栓固定在沖錘一起的接觸面,直到露出明亮的金屬光澤,用清潔抹布擦凈.
注意!噴涂銅和噴涂鍍銀表面應用抹布清潔,不要打磨.
不同的接觸金屬(鋁/銅)不能用相同的清潔工具.用無酸的凡士林(例如 殼牌凡士林8420)或等效防腐蝕劑給光滑的接觸面涂上潤滑膜,并立即栓接在一起1).
注意:
鍍銀部分一定不能與鋁條栓接在一起.
使用專用M12螺母與8級強度螺栓以及相應彈簧零件和平墊圈.
注意!擰緊端子螺釘時,用適當的扳手或套筒扳手,緊固轉矩(70Nm~7mkp).
控制引線
標準型源創電氣真空斷路器提供一個64頭低壓插塞式連接器X0(68.7.1).外部連接的相應插頭壓接額定截面積1.5mm2的控制引線.使用合適的壓接工具(例如Harting牌壓接鉗 09 99 000 0110 帶定位套筒的 09 99 000 0111)1).
具體參照所供電路圖.
接地
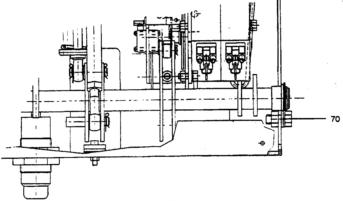
使用連接到機械柜(60.)邊的帶有適當標志的M12端子(70.)上的扁銅,銅纜或鍍鋅鋼帶,把源創電氣真空斷路器連接到專用的高壓保護接地.
如果源創電氣真空斷路器的機械柜安裝在一個接地的金屬架上,有這樣緊密的電氣聯系,機械柜就不必另外單獨接地了.
螺栓頭下必須放帶鋸齒的墊圈(DIN 6798).
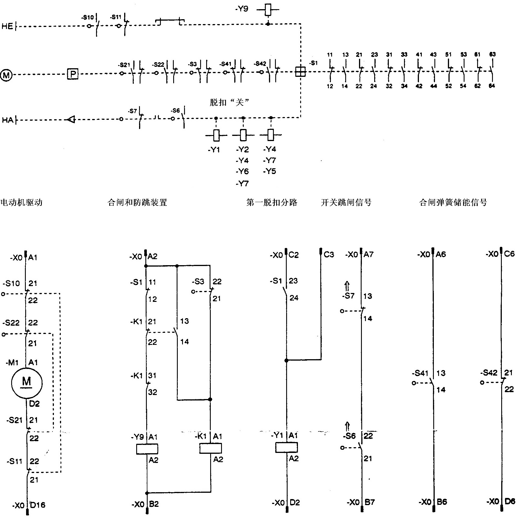
電路圖
提供的電路圖通過專用的模塊和補充說明給出了斷路器的配線和連接.
斷路器的典型電路圖功能原理圖
手動合閘64路插頭連接的3AH3源創電氣真空斷路器
HA
手動分閘
HE
手動合閘
K1
防跳開關
M1
電動機操作機械
P
儲能
R1
電阻
S1
輔助開關
S21,S22
位置開關(在儲能后關閉電動機)
S3
位置開關(當合閘彈簧儲能時打開)
S41,S42
位置開關(儲能狀態信號)
S6,S7
位置開關(開關跳閘信號)
X0
低壓插塞式連接器
Y1Y7
第一脫扣分路
Y2
第二脫扣分路
Y4,Y5,Y6
CT操作脫扣
低電壓脫扣
Y9
合閘線圈
S10,S11
位置開關(機械防跳)
圖3/4低電壓脫扣Y7的典型連接電路
功能原理圖
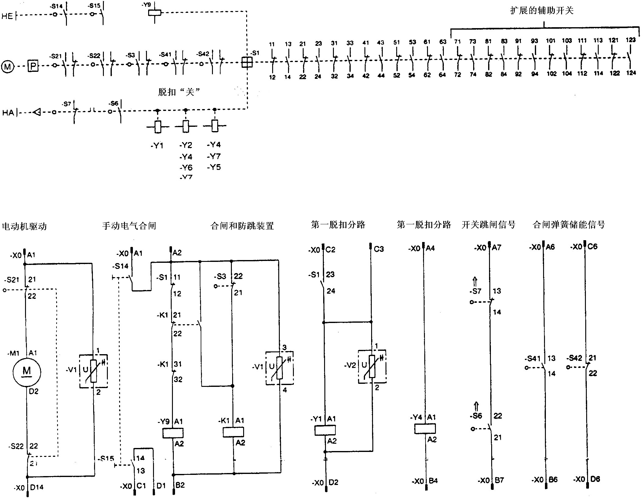
圖3/5手動電氣合閘64路插頭連接的3AH3源創電氣真空斷路器
HA
手動分閘
HE
手動合閘
K1
防跳開關
M1
電動機操作機械
P
儲能
R1
電阻
S1
輔助開關
S21,S22
位置開關(在儲能后關閉電動機)
S3
位置開關(當合閘彈簧儲能時打開)
S41,S42
位置開關(儲能狀態信號)
S6,S7
位置開關(開關跳閘信號)
X0
低壓插塞式連接器
Y1
第一脫扣分路
Y2
第二脫扣分路
Y4,Y5,Y6
CT操作脫扣
Y7
低電壓脫扣
Y9
合閘線圈
S10,S11
位置開關(機械防跳)
操作
危 險
高壓!
觸摸有電部件將導致死亡或嚴重的人身傷害.
只有合格人員才可操縱該設備.合格人員定義為非常熟悉此設備專門的說明手冊和所有安全注意事項的人.
警 告
本設備有危險電壓和高速運動的機械部件,可以被遙控控制.
不遵守安全規程將導致嚴重的人身傷害或財產損失.
特別:
不要移開罩子(60.1).不要接觸開放的正在運行的機械設備內部.不要接觸真空絕緣筒(19.)和操作桿(48.).
試運行.
在試運行之前,根據以下幾點檢查源創電氣真空斷路器:
1.正確的清潔.
2.檢查所有的固定及端子螺釘是否擰緊.
3.檢查源創電氣真空斷路器是否有外部損壞,特別是控制線,絕緣柱和真空滅弧室
注 意
為了避免電動機突然啟動導致的傷害,源創電氣真空斷路器僅能用手動曲柄(50.)操作.
4. 用手動曲柄(50.)給合閘彈簧(62.)儲能,按下"合"按鈕(53.)后斷路器合閘,按下"分"按鈕(54.)后斷路器分閘.
在帶有低電壓脫扣分路(Y7)3AX1103的3AH3源創電氣真空斷路器上,榔頭的制動螺釘必須由位置A移到位置B(見3AH3源創電氣真空斷路器機械柜[60.]中的注意卡).
5.用合閘彈簧(62.)上的電動機機械開關測試操作.檢查合閘彈簧儲能狀態的機械和電氣指示情況.在第4.項情況下啟動機械指示,檢查機械和電氣的斷路器的狀態指示情況.
6.通過啟動源創電氣真空斷路器來檢查輔助開關S1(68.)和電氣位置開關(50.4.1)是否在終端位置.
7.還要檢查電氣啟動合閘線圈Y9(53.1)和配備的所有脫扣分路的工作情況.
當源創電氣真空斷路器的功能檢查正常,斷路器可以投入運行.
合閘彈簧儲能
電動機(50.4)上電后自動給合閘彈簧(62.)儲能.電氣儲能出錯時,還可以通過手動曲柄(50.)給合閘彈簧(62.)儲能.在斷路器后殼,帶有前推適配器(50.6)的手動曲柄通過開口(50.1)套在手動曲柄的聯軸(50.5)上順時針方向轉動,直到從指示器開口(55.1)所見到的"合閘彈簧泄放"符號變為"合閘彈簧儲能"符號.
用手動曲柄給合閘彈簧儲能
適配器(50.6)的設計使手動曲柄(50.)在電動機儲能恢復時可以取下.
合閘
如果操作沒有被機械閉鎖聯鎖,按下"合"按鈕(53.)或相應的控制開關后,3AH3源創電氣真空斷路器合閘同時給出指示和發信號顯示斷路器合閘.
合閘后(如正確),"合"按鈕(53.)脫扣,合閘彈簧立刻自動地儲能直到能看到"合閘彈簧儲能"(55.)的指示為止.
分閘
在合閘期間分閘彈簧(64.)被儲能.
按下"分"按鈕(54.)或相應的控制開關使斷路器分閘,源創電氣真空斷路器分閘同時給出指示和發信號顯示斷路器分閘.
維護
維護,修理和后續的改造工作只能由經過依照操作說明書和專用改造說明書專門培訓了的人員來進行.
在開始源創電氣真空斷路器的任何操作之前,必須參照高壓開關設備的檢修規程, 關閉電源,通過手動合閘和分閘源創電氣真空斷路器(源創電氣真空斷路器處于分閘狀態,可見"合閘彈簧泄放"指示).
不遵守安全規程將導致死亡,嚴重的人身傷害或大量的財產損失.
維修
在正常的操作情況下,3AH3源創電氣真空斷路器維修是免費的.盡管如此我們推薦定期查看.
清潔
為了保持絕緣能力,清潔絕緣部件是必要的.絕緣部件和斷路器外部必須用濕抹布擦拭.只能使用添加了柔性家庭洗滌劑液體的溫水作為清潔劑來清洗.
警 告
電源沒有斷開時,一定不要觸摸電線和接線端子.
不遵守安全規程將導致死亡或嚴重的人身傷害.
注 意
所有的操作機械彈簧必須被釋放,源創電氣真空斷路器應在分閘狀態,可見"合閘彈簧泄放"指示.
不遵守安全規程導致人身傷害將.
異常的運行條件
如果3AH3源創電氣真空斷路器在一個非常不利的戶內條件(例如頻繁的霧化, 充斥灰塵的空氣等等)下使用,我們推薦定期的清潔斷路器外部元件,必要的話,更新防腐蝕保護.軸承,滑動面:
難于接近的軸承的潤滑和輔助開關S1的軸承:
殼牌特勒斯油 32
在防腐蝕處理完前一定不要用清潔劑清洗接頭和不可拆的軸承.
在更新防腐蝕保護后,源創電氣真空斷路器要做幾種機械開關測試操作.
潤滑油(特殊條件下)可從可靠的源創電氣西門子經銷商處得到.
訂購號
180g Klbüer-Isoflex Topas L32 和50g殼牌特勒斯油 32
3AX11 33-3A
180g Klbüer-Isoflex Topas L32
3AX11 33-3H
50g殼牌特勒斯油 32
3AX11 33-2G
1kg殼牌特勒斯油 32
3AX11 33-2D
1kg Klbüer-Isoflex Topas L32
3AX11 33-3E
校核觸點系統
由于觸點的侵蝕,接觸片和導向螺栓的壓力,觸點系統容易磨損,真空滅弧室(30.)上可移動的端子螺栓(36.1)作為校核標記(13.9)被提供來校核觸點的磨損.在3AH3源創電氣真空斷路器合閘情況下,只要這個標記完全或部分可以看見就說明觸點的縮短在容許的范圍之內.
校核真空度
真空度的校核就是確定真空滅弧室是否有泄漏的危險.母線和連接電纜必須被分開.校核通過一組高壓試驗來完成.
使用期限
允許的最大機械操作數是10000次.允許的操作數與開斷電流之間的函數關系為參考.
當達到允許的最大數時,必須更新真空滅弧室.
替換的真空滅弧室時,應根據斷路器的型號,設計碼和序列號(見銘牌)
源創電氣真空斷路器 3AH3 7.2KV¬¬-36KV(2)
真空滅弧室
圖2/5給出了用于3AH3源創電氣真空斷路器中的真空滅弧室的基本結構。
根據型號,真空滅弧室(30.)被固定在上支架(20.)。電弧室(33.)安裝在兩個陶瓷絕緣子(32.)之間。靜觸片(31.)被直接連接在柜上。動觸片(36.)被安裝固定在導軌(35.)中的接線端子螺栓(36.1)上。金屬波紋管形成到滅弧室的真空密封連接。

圖2/5真空滅弧室
基本型號的源創電氣真空斷路器包括:

每個3AH3源創電氣真空斷路器也可以裝有下面一些設備:

除標準的脫扣分路外,3AH3源創電氣真空斷路器也可以最多安裝兩個3AX11型脫扣分路。
安裝
在配電柜或手車上安裝
供應的3AH3源創電氣真空斷路器是敞開的,可以看到“和閘彈簧脫扣”指示。在安裝3AH3源創電氣真空斷路器之前,先移走運輸設備(制動器和定位器)。根據提供的圖紙,面向松開的相間隔板安裝。
在將3AH3源創電氣真空斷路器安裝進柜中或手車上之前,檢查它的額定銘牌數據(避免混亂),比較交貨單指明的額定電壓與本地可供的電源電壓。
在帶有低電壓脫扣(Y7)3AX1103的源創電氣真空斷路器上,榔頭的制動螺釘必須由位置A移到位置B(見源創電氣真空斷路器機械柜[60.]中的注意卡)。
在柱狀板(15.)和機械柜(60.)上共有14個安裝孔適應各種各樣的型號斷路器的安裝(圖3/1)。對于額定短路開斷電流≥50KA的源創電氣真空斷路器的安裝,我們推薦僅使用柱狀板。
使用M12的固定螺栓-強度8級-嚴格參照尺寸圖指示安裝。
支架或框架必須滿足操作條件,有足夠的承載能力和穩定性。
扁鋼接頭
優先裝配導體,固定它們以確保連接部分平滑接觸和孔完全對準。
使用鋼絲刷摩擦被螺栓固定在沖錘一起的接觸面,直到露出明亮的金屬光澤,用清潔抹布擦凈。
注意!噴涂銅和噴涂鍍銀表面應用抹布清潔,不要打磨。
不同的接觸金屬(鋁/銅)不能用相同的清潔工具。用無酸的凡士林(例如 殼牌凡士林8420)或等效防腐蝕劑給光滑的接觸面涂上潤滑膜,并立即栓接在一起1)。
注意:
鍍銀部分一定不能與鋁條栓接在一起。
使用專用M12螺母與8級強度螺栓以及相應彈簧零件和平墊圈。
注意!擰緊端子螺釘時,用適當的扳手或套筒扳手,緊固轉矩(70Nm~7mkp)。
控制引線
標準型源創電氣真空斷路器提供一個64頭低壓插塞式連接器X0(68.7.1)。外部連接的相應插頭壓接額定截面積1.5mm2的控制引線。使用合適的壓接工具(例如Harting牌壓接鉗 09 99 000 0110 帶定位套筒的 09 99 000 0111)1)。
具體參照所供電路圖。
接地
使用連接到機械柜(60.)邊的帶有適當標志的M12端子(70.)上(見圖3/3)的扁銅,銅纜或鍍鋅鋼帶(DIN VDE 0141/7.76 項目5.3),把源創電氣真空斷路器連接到專用的高壓保護接地
如果源創電氣真空斷路器的機械柜安裝在一個接地的金屬架上,有這樣緊密的電氣聯系,機械柜就不必另外單獨接地了。
螺栓頭下必須放帶鋸齒的墊圈(DIN 6798)。

電路圖
提供的電路圖通過專用的模塊和補充說明給出了斷路器的配線和連接。
斷路器的典型電路圖見圖3/3和3/5。
功能原理圖

圖3/3手動合閘64路插頭連接的3AH3源創電氣真空斷路器

圖3/4低電壓脫扣Y7的典型連接電路
功能原理圖

圖3/5手動電氣合閘64路插頭連接的3AH3源創電氣真空斷路器

不遵守安全規程將導致嚴重的人身傷害或財產損失。
特別:
不要移開罩子(60.1)。不要接觸開放的正在運行的機械設備內部。不要接觸真空絕緣筒(19.)和操作桿(48.)。
試運行
在試運行之前,根據以下幾點檢查源創電氣真空斷路器:
1.正確的清潔(細節參照“清潔”頁5/1).
2.檢查所有的固定及端子螺釘是否擰緊.
3.檢查源創電氣真空斷路器是否有外部損壞,特別是控制線,絕緣柱和真空滅弧室。
注 意
為了避免電動機突然啟動導致的傷害,源創電氣真空斷路器僅能用手動曲柄(50.)操作。
4. 用手動曲柄(50.)給合閘彈簧(62.)儲能(見圖4/1),按下“合”按鈕(53.)后斷路器合閘,按下“分”按鈕(54.)后斷路器分閘。
在帶有低電壓脫扣分路(Y7)3AX1103的3AH3源創電氣真空斷路器上,榔頭的制動螺釘必須由位置A移到位置B(見3AH3源創電氣真空斷路器機械柜[60.]中的注意卡)。
5.用合閘彈簧(62.)上的電動機機械開關測試操作。檢查合閘彈簧儲能狀態的機械和電氣指示情況。在第4.項情況下啟動機械指示,檢查機械和電氣的斷路器的狀態指示情況。
6.通過啟動源創電氣真空斷路器來檢查輔助開關S1(68.)和電氣位置開關(50.4.1)是否在終端位置。
7.還要檢查電氣啟動合閘線圈Y9(53.1)和配備的所有脫扣分路的工作情況。
當源創電氣真空斷路器的功能檢查正常,斷路器可以投入運行。
合閘彈簧儲能
電動機(50.4)上電后自動給合閘彈簧(62.)儲能。電氣儲能出錯時,還可以通過手動曲柄(50.)給合閘彈簧(62.)儲能。在斷路器后殼,如圖4/1所示,帶有前推適配器(50.6)的手動曲柄通過開口(50.1)套在手動曲柄的聯軸(50.5)上順時針方向轉動,直到從指示器開口(55.1)所見到的“合閘彈簧泄放”符號變為“合閘彈簧儲能”符號(圖4/2)。
圖4/1用手動曲柄給合閘彈簧儲能
適配器(50.6)的設計使手動曲柄(50.)在電動機儲能恢復時可以取下。
圖4/2“合閘彈簧儲能” 圖4/2 “合閘彈簧泄放”
合閘
如果操作沒有被機械閉鎖聯鎖,按下“合”按鈕(53.)或相應的控制開關后,3AH3源創電氣真空斷路器合閘同時給出指示和發信號顯示斷路器合閘。
合閘后(如正確),“合”按鈕(53.)脫扣,合閘彈簧立刻自動地儲能直到能看到“合閘彈簧儲能”(55.)的指示為止。
分閘
在合閘期間分閘彈簧(64.)被儲能。
按下“分”按鈕(54.)或相應的控制開關使斷路器分閘,源創電氣真空斷路器分閘同時給出指示和發信號顯示斷路器分閘。
維護
安全規程
危 險
維護,修理和后續的改造工作只能由經過依照操作說明書和專用改造說明書專門培訓了的人員來進行。對人員的培訓和信息會議可由源創電氣西門子的主管部門提供。
在開始源創電氣真空斷路器的任何操作之前,必須參照當地的高壓開關設備的安全規則,例如第五規程(DIN VDE 0105/07.83 卷1,條款9)。關閉電源、通過手動合閘和分閘源創電氣真空斷路器(源創電氣真空斷路器處于分閘狀態、可見“合閘彈簧泄放”指示)。
不遵守安全規程將導致死亡、嚴重的人身傷害或大量的財產損失。
維修
在正常的操作情況下,3AH3源創電氣真空斷路器維修是免費的。盡管如此我們推薦定期查看。
清潔
為了保持絕緣能力,清潔絕緣部件是必要的。絕緣部件和斷路器外部必須用濕抹布擦拭。只能使用添加了柔性家庭洗滌劑液體的溫水作為清潔劑來清洗。
警 告
電源沒有斷開時,一定不要觸摸電線和接線端子。
不遵守安全規程將導致死亡或嚴重的人身傷害。
注 意
所有的操作機械彈簧必須被釋放,源創電氣真空斷路器應在分閘狀態,可見“合閘彈簧泄放”指示。
不遵守安全規程將導致人身傷害。
異常的運行條件
如果3AH3源創電氣真空斷路器在一個非常不利的戶內條件(例如頻繁的霧化, 充斥灰塵的空氣等等)下使用,我們推薦定期的清潔斷路器外部元件,必要的話,更新防腐蝕保護。下面的產品可用于VCB的每個工作部分。
軸承,滑動面:
Isoflex Topas L32
Klbüer-潤滑油KG
Geisenhausener Straβe 7
難于接近的軸承的潤滑和輔助開關S1的軸承:
殼牌特勒斯油 32
在防腐蝕處理完前一定不要用清潔劑清洗接頭和不可拆的軸承。
在更新防腐蝕保護后,源創電氣真空斷路器要做幾種機械開關測試操作。
潤滑油(特殊條件下)可從可靠的源創電氣西門子經銷商處得到。
訂購號
180g Klbüer-Isoflex Topas L32 和50g殼牌特勒斯油 32 3AX11 33-3A
180g Klbüer-Isoflex Topas L32 3AX11 33-3H
50g殼牌特勒斯油 32 3AX11 33-2G
1kg殼牌特勒斯油 32 3AX11 33-2D
1kg Klbüer-Isoflex Topas L32 3AX11 33-3E
校核觸點系統
由于觸點的侵蝕、接觸片和導向螺栓的壓力,觸點系統容易磨損。如圖5/1,真空滅弧室(30.)上可移動的端子螺栓(36.1)作為校核標記(13.9)被提供來校核觸點的磨損。在3AH3源創電氣真空斷路器合閘情況下,只要這個標記完全或部分可以看見就說明觸點的縮短在容許的范圍之內。
校核真空度
真空度的校核就是確定真空滅弧室是否有泄漏的危險。母線和連接電纜必須被分開。校核通過一組高壓試驗來完成。如需要的話,可以從源創電氣西門子的地區辦公室獲得更多的信息。
使用期限
允許的最大機械操作數是10000次。允許的操作數與開斷電流之間的函數關系見圖5/2。
當達到允許的最大數時,必須更新真空滅弧室。詳細的說明隨著替換的真空滅弧室一起被提供。
當訂購替換的真空滅弧室時,請說明斷路器的型號、設計碼和序列號(見銘牌)。
負載特性數的確定
額定電壓 額定短路開斷電流 額定工作電流時的負載特性數
KV KA 1250A 2000A 2500A 3150A 4000A
7.2 50
63 1
2 1
2 1
2
2
12 50
63 1
2 1
2 1
2
2
15 50
63 1
2 1
2 1
2
2
17.5 50
63 1
2 1
2 1
2
24 40
3
36 31.5
40 4
5 4
5 4
5
圖5/2允許的操作數與開斷電流Ia之間的函數關系
附件和備件
一個型號3AX1530-2B的為合閘彈簧儲能的手動曲柄。
由于這一型斷路器的所有部件都被優化設計來維持正常的使用壽命,所以我們不推薦特殊的備件保持有庫存。
訂購備件時請說明以下內容:
3AH3源創電氣真空斷路器的型號名稱、設計碼和序列號(見銘牌)
機械聯鎖及操作機構
在開關柜前裝有一套精確輕巧的機械聯鎖裝置來滿足不同的產品方案。操作機構采用蝸輪蝸桿齒軸式結構,它由傳動軸、齒輪箱組及聯軸節等組成,通過這些專用零部件來完成。
上、下隔離開關的分合過程。操作機構有手動型、電動型及手動電動組合型供用戶選擇。聯鎖裝置符合“五防”要求。在聯鎖裝置外面設有一塊操作模擬板,模擬板上設有主回路模擬母線,隔離開關分合的操作孔及操作方向。
壓力釋放裝置
開關柜內設有壓力釋放通道,以確保柜內因發生故障產生電弧及高壓氣體時,能釋放壓力和排泄氣體,保證操作人員的安全。

日期:2017-05-13 15:58:33 點擊:143 好評:0
輸出電壓以設定的起動時間按照指數特性上升,同時輸出電流以一定的速率增加,當起動電流增至限幅值Im時,電流保持恒定,直至起動完成。 使用此模式時,需同時設定起動時間和限流倍數。 參數 名稱 范圍 設定值 出廠值 1M00 起動方式 0~3 0 0 1M03 起始電壓 20....

日期:2017-07-02 08:15:30 點擊:138 好評:0
二個一拖二軟起動柜,如何連接以實現軟起動器,必要時可以一用一備,如下圖可行嗎,謝! 高壓水電阻軟起動柜,專用電液粉。 大家好,我想問下大家,對廚房垃圾粉碎機在城市中,推廣的可能性大不大,原因是。 可能性不大,因為垃圾有清潔工每天來收集,粉碎不....

日期:2017-05-22 16:21:27 點擊:99 好評:0
那么下面我們就來進行一下水泵軟起動柜的介紹了吧,這里是源創電氣公司,專業生產軟起動柜的廠家 ,那么在這里我們首先要了解這個設備才能夠更進一步的了解這些設備了。 XJR-20kW水泵軟啟動柜是我公司自主研發的新產品,是國內唯一不需要旁路接觸器的軟起動柜....

日期:2017-05-22 16:23:41 點擊:145 好評:0
軟起動柜設備在襄陽電氣公司還是比較多的 ,那么我們首先要了解這些公司,出售的都是什么型號的軟起動柜,那么需要我們了解到位的還是非常不錯的,那么軟起動柜廠家在這里我們需要吧這些都做到位的,軟起動柜,廠家襄陽源創電氣價格就是比較低的,價格大概在2....

日期:2017-05-22 16:19:38 點擊:179 好評:0
風機軟起動柜,也是屬于風機起動柜,那么適合什么樣子的起動柜呢,那么下面我們就針對這個來介紹一下吧,這里是源創電氣公司。 本產品啟動電動機時,電源進線的起動電流不超過電動機額定電流的5~ 7倍,其最長起動時間為90秒(包括一次或連續數次啟動時間的總....