銷售①:13508662630 銷售②:13507271573
公司地址:襄陽市樊城區春園西路賈洼工業園 郵箱:xfycdq@163.com
所有的非線性負荷,都能產生諧波電流。產生諧波的設備類型有:開關模式電源(SMPS)、電子熒光燈鎮流器、調速傳動裝置、不間斷電源(UPS)、磁性鐵芯設備(變壓器、......
發布時間:2017-05-15
利用磁控電抗器電抗值連續可調,實現感性無功的連續可調,從而實現容性無功的動態補償。 結構上分為磁閥式、裂芯式和磁控式。 (見MSVC介紹) 、諧波的含義: 供電......
發布時間:2017-05-15
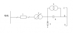
電容器分組自動投切 TSC型自動分組投切裝置 調壓技術 TCR型SVC動態補償裝置 MCR型SVC動態補償裝置 (分別介紹如下) 1、分組自動投切:利用真空開關......
發布時間:2017-05-15
補償無功功率,提高功率因數 增加電網的傳輸能力,提高設備利用率 降低線路損失和變壓器有功損失 減少設備容量 改善電壓質量...
發布時間:2017-05-15
把具有容性功率負荷的裝置與感性功率負荷,并聯接在同一電路;當容性負載釋放能量時,感性負荷吸收能量;而當感性負荷釋放能量時,容性負荷卻在吸收能量;能量在兩種負荷之......
發布時間:2017-05-15



(不想等待可點擊按鈕通過QQ進行溝通,或直接電聯。)
關閉